◆ Una variedad de señales de salida son opcionales;
◆ Protección contra interferencias y sobretensiones;
◆ Alta precisión, buena fiabilidad, chips alemanes;
◆ Diafragma de aislamiento de acero inoxidable 316L, diseño integrado;
◆ Intrínsecamente seguro, de acuerdo con los requisitos de la sección II.CT6 de la norma GB3836.4
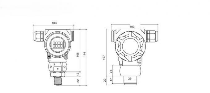
Resumen del producto:
AMP51AEl transmisor de presión industrial es un producto de medición de presión de alta precisión y alta estabilidad diseñado y producido independientemente por nuestra empresa.El producto adopta un sensor piezorresistivo de silicio con un diafragma aislante de acero inoxidable, con un circuito digital especial, y produce un producto integrado de señal estándar industrial mediante amplificación de la señal, compensación lineal, antiinterferencia,Protección contra sobretensiones y otro procesamiento de señales.
Aplicaciones del producto:
◆ Industria petroquímica
◆ Energía eléctrica metalúrgica
◆ Tecnología de medición y control
◆ Campos hidráulicos y neumáticos








